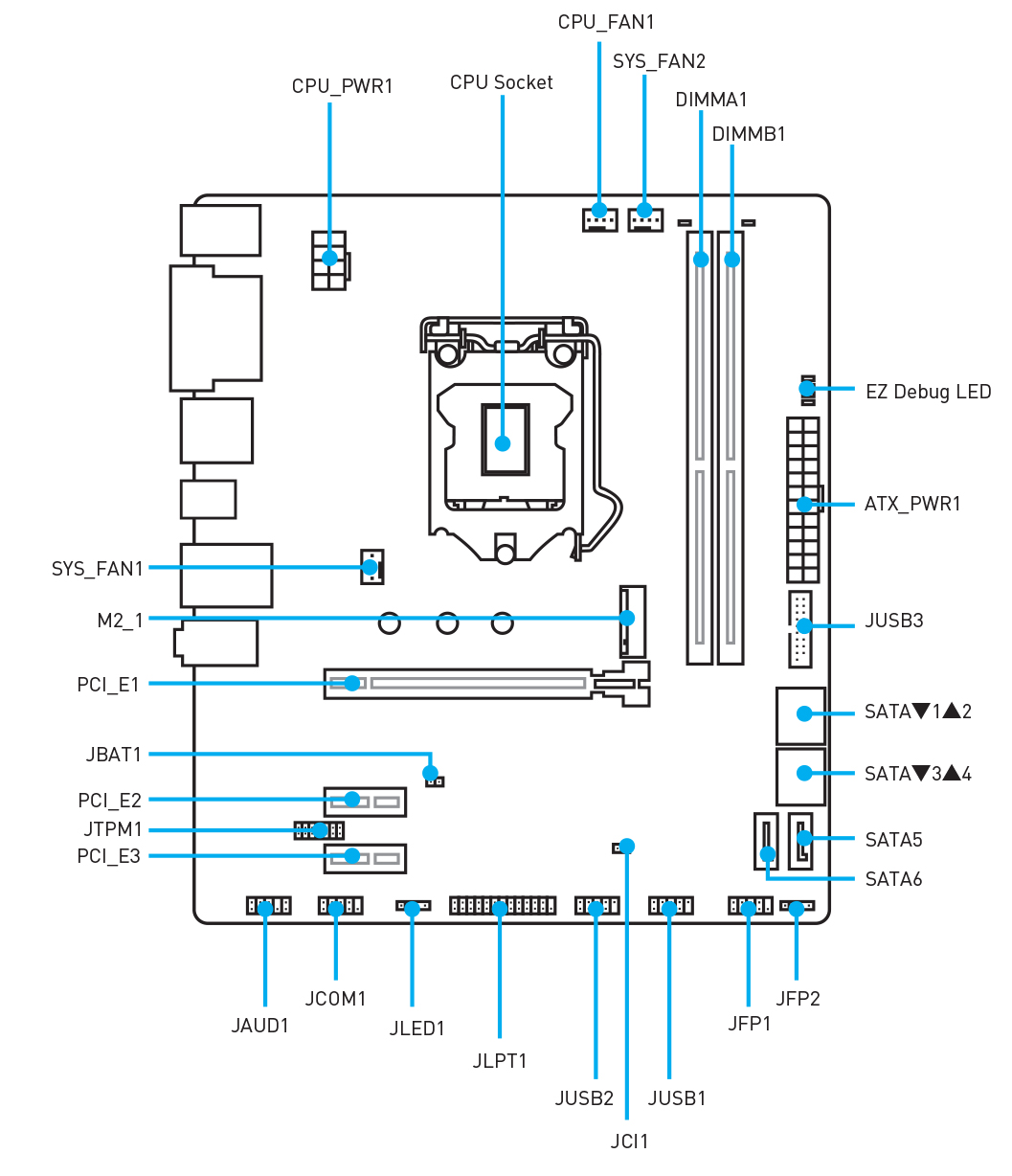
Herkese Merhaba. Bu yazımızda anakart üzerinde yer alan JAUD1, JCOM1, JLED1, JLPT1, JUSB1, JUSB2, JCI1, JFP1, JFP2, CPU_FAN1, SYS_FAN1, SYS_FAN2, CPU_PWR1, DIMMA1, DIMMB1, ATX_PWR1, EZ Debug LED, JUSB3, SATA1, SATA2, SATA3 gibi bağlantı noktalar ne anlama geliyor? Sorusuna yanıt vermeye çalışacağız.
Öncelikle bu noktalar anakartınızın üzerindeki farklı bileşenleri ve bağlantıları gösteren etiketlerdir. Bunların her birinin ne anlama geldiğini size kısaca açıklayalım.
- JAUD1: Bu nokta ses kartınıza bağlantı sağlayan ses giriş çıkış pinleridir.
- JCOM1: Bu nokta seri bağlantı girişidir (COM portu olarak kullanılır).
- JLED1: Bu nokta RGB ya da standart LED bağlantısı yapmanızı sağlar (Dikkatli bağlayın kısa devre riskli sonuçlar doğurabilir).
- JLPT1: Bu nokta paralel bağlantı girişidir.
- JUSB1, JUSB2: Bu noktalar USB 2.0 ve 3.0 bağlantısı için kullanılır.
- JCI1: Bu nokta kısa devre ile anakarta start vermek için kullanılır (Kullanmamak gerekiyor).
- JFP1, JFP2: Bu noktalar ön panel bağlantıları için kullanılır.
- CPU_FAN1, SYS_FAN1, SYS_FAN2: Bu noktalar CPU ve sistem fanlarınızı bağlamak için kullanılır.
- CPU_PWR1: Bu nokta CPU’nuzun güç kaynağına bağlanır.
- DIMMA1, DIMMB1: Bu noktalar RAM modüllerinizi takmak için kullanılır.
- ATX_PWR1: Bu nokta anakartınızın güç kaynağına bağlanır.
- EZ Debug LED: Bu LED’ler sisteminizin çalışma durumunu gösterir. Herhangi bir sorun oluşursa hangi bileşende olduğunu anlamanızı sağlar.
- JUSB3: Bu nokta JUSB1 ve JUSB2’den farklıdır. Daha çok pin sayısı vardır. Üzerindeki pinlerin büyük çoğunluğu güç pini olarak çalışır. Sebebi ise ön panelde hızlı şarj ve USB 3.1 ile tam performans sağlaması için kullanılır.
- SATA1: Bu nokta SATA cihazlarınızı (HDD, SSD, DVD-ROM vb.) bağlamak için kullanılır.
- M2_1: Bu nokta M.2 SSD’nizi takmak için kullanılır. CPU’ya bağlıdır ve PCIe 4.0 x4 bant genişliğini destekler.
- PCI_E1: Bu nokta PCIe 4.0 x16 yuvasıdır. Genellikle ekran kartınızı takmak için kullanılırsınız.
- JBAT: Bu nokta BIOS’u sıfırlamak için kullanılır. Jumper’ı kısa devre yaparsanız BIOS ayarlarını varsayılana döndürür.
- PCI_E2, PCI_E3: Bu noktalar PCIe 3.0 x1 yuvalarıdır. Ses kartı, ağ kartı gibi PCIe cihazlarını takmak için kullanılır.
- JTPM1: Bu nokta TPM modülü için kullanılır. Bitlocker gibi güvenli bağlantı aracı kullanmak içindir.
- PCI_E4: Bu nokta PCIe 3.0 x4 yuvasıdır. Ekran kartı, SSD gibi PCIe cihazlarını takmak için kullanılır.

Umarım bu makale size yardımcı olmuştur. Anakartınızla ilgili başka sorularınız varsa lütfen bana bildirin…

